Каркасная баня "Созвездие"

Немного о проекте
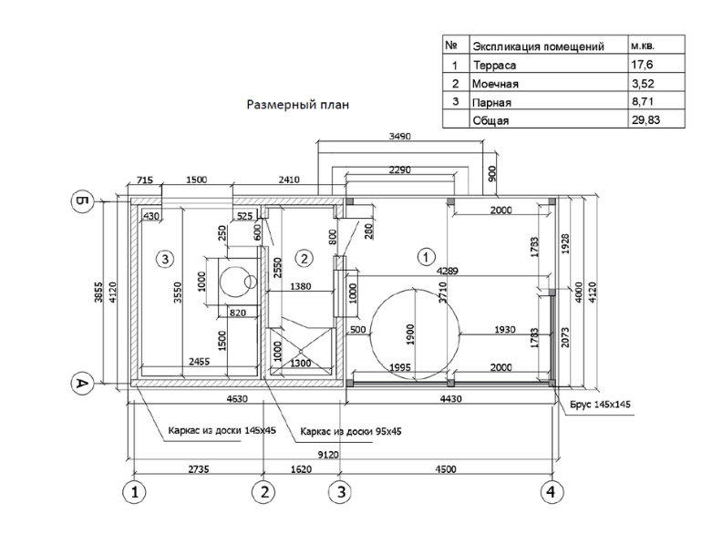
Комфортная баня «Созвездие» с тремя комнатами и террасой для полноценного отдыха. Насладитесь идеальным паром в парной с усиленным утеплением и отделкой из натуральной липы.
Характеристики
Цена: 106 500 р

Каркасная баня "Созвездие" - о проекте

Баня «Созвездие» — современная классика для вашего отдыха и здоровья!
Погрузитесь в атмосферу настоящего пара в функциональной бане, где каждая деталь продумана для вашего комфорта. Просторное помещение площадью 36 м² с тремя комнатами и уютной террасой из долговечного ДПК. Особая гордость — усиленное утепление парной 200 мм и натуральная липовая вагонка, создающая целебный микроклимат. Качественные материалы: каркас из технически высушенной доски и фасад из скошенного планкена — гарантия долговечности и эстетики.
Комплектация бани
Фундамент
Бурозаливной
Стены
Доска 150х50, 100х50, (тех. сушка.)
Утепление стен бани/парной
150 мм / 200 мм
Утепление перектытия
Нет
Утепление крыши бани/парной
150 мм / 200 мм
Внутренняя отделка пола
ДСП
Внутренняя отделка стен бани/парной
Вагонка из липы
Внутренняя отделка стен санузла
Вагонка из липы
Внутренняя отделка потолок
Вагонка из липы
Внешняя отделка стен
Планкен скошенный
Кровля
Профлист
Водосточная система
ПВХ 135
Терраса (пол)
ДПК
Этапы работ
1. Осмотр участка

Проведение инженерно-геологических изысканий для определения оптимального типа фундамента

2. Разработка проекта

Создание планировочного решения и визуального облика дома, части АР, КР, смета

3. Возведение фундамента

Возведение фундамента согласно проекту

4. Сборка силового каркаса дома

Возведение нижней обвязки, лаги пола, несущей стены, перегородки, перекрытий (по необходимости), стропильной системы

5. Наружная и внутренняя отделка

Выполнение работ по монтажу отделочных материалов согласно решению заказчика и архитектора

6. Фасадные работы

Работы по установке окон, дверей, прокладка коммуникаций

Преимущества заказа каркасной бани у нас

Видеоотзывы о проектах

Отзывы о нас

0-03
10.04.2025
Огромное спасибо вам, вашей команде, всем, кто был вообще связан с нашим проектом, воплотил нашу мечту. Вот обидно было, что так быстро закончилось наше сотрудничество) Мы решали все вопросы через телеграм, отвечали сразу же, что-то мы даже поменяли в процессе. Все профессионалы, молодцы! Максим архитектор молодец. То, что я просила, он все сделал, поменял, помогал, советовал. Виталий мастер, тоже молодец, знает свое дело и делает это быстро и качественно, и хорошо. И менеджер Анна всегда была на связи, писала и звонила. Владимир, спасибо и вам за вашу команду!
Ирина
0-03
23.03.2025
Конечно будем советовать вашу компанию, нам все понравилось. На самом деле не такое и длительное было сотрудничество, потому что ваша компания делала все оперативно и в срок. Огромный плюс это то, что минимальное присутствие заказчика на объекте. Ну и конечно же ты потом понимаешь, что все сделано качественно, все работает, все можно пользоваться и прекрасный вид. Негативных моментов с вами не возникало. Нам было, если честно, с вами в кайф работать.
Александр
0-03
15.03.2025
Удалось посотрудничать самым приятным образом! Мы воплотили в жизнь свою давнюю мечту. Предложение было разработано архитектором Максимом и нам очень понравилось, что получилось по итогу. Мы получаем большое удовольствие! Нам очень-очень понравилось сотрудничество с компанией. Не было ни какой головной боли, никаких вопросов. Все пожелания были учтены, самым наилучшим способом воплощены в жизнь самым наилучшим образом. И вот, наступит новый дачный сезон, и мы будем с удовольствие пользоваться новым хозпомещением!
Наталья
0-03
10.03.2025
Я нашла эту компанию через интернет, где они выложили свои работы на которые я посмотрела. Мне понравилось. И я решила обратиться именно к ним, по их визуалу я поняла, что это моя компания. Все что было спроектировано оно и воплотилось вот уже в террасу. И терраса мне понравились и строители, которые у меня работала.
Ольга
0-03
28.02.2025
Всем огромная благодарность!!! Всё чётко, аккуратно, надёжно и красиво!!!
Дмитрий Денисович
0-03
20.08.2024
Строительство автонавеса прошло без проблем. Команда СтройЛюкс профессиональна и внимательна к деталям. Я остался очень доволен качеством работы и рекомендую их всем! На объекте работал мастер Алексей.
Станислав
Еще больше отзывов о нашей работе !
Часто задаваемые вопросы
Быстрота строительства, бюджетность, высокая теплоизоляция.
Лучше использовать базальтовую вату. Она не боится влаги и выдерживает высокие температуры.
Да, чаще всего используют свайно-винтовой или ленточный фундамент.
Каждые 2–3 года — обработка антисептиком, проверка утепления и вентиляции.
Подготовить площадку, обеспечить дренаж, выбрать место с учётом пожарных норм.
Прогревается такая баня за 30–60 минут, а держит тепло на протяжении 2-4 часов при хорошем утеплении.
Популярные проекты
Каркасный дом "Классик 27"

Площадь 111 М²
Этажи 1 ЭТАЖ
Фундамент СВАЙНО-РОСТВЕРКОВЫЙ
Размеры 13.1Х9.2 М + 3.6Х2.3 М
Комнаты 3 СПАЛЬНИ
Цена: 3 065 р/м²

ПОДРОБНЕЕ
Каркасный дом "Классик 3"

Площадь 80 М²
Этажи 1 ЭТАЖ
Фундамент СВАЙНО-РОСТВЕРКОВЫЙ
Размеры 10Х8 М
Комнаты 2 СПАЛЬНИ
Цена: 2 586 р/м²

ПОДРОБНЕЕ
Терраса "Дзержинск с окнами"

Площадь 23 М²
Вид террасы ОСТЕКЛЕННАЯ
Размеры 7.5Х3 М
Цена: 1 434 р/м²

ПОДРОБНЕЕ
Терраса "Мелковичи"

Площадь 13 М²
Вид террасы ОСТЕКЛЕННАЯ
Размеры 2.9Х5.45 М
Цена: 1 969 р/м²

ПОДРОБНЕЕ
Автонавес "Ждановичи"

Площадь 31 М²
Количество мест 2 МЕСТА
Хозблок БЕЗ ХОЗ. БЛОКА
Размеры 5.4Х5.8 М
Крыша ОДНОСКАТНАЯ
Цена: 494 р/м²

ПОДРОБНЕЕ
Автонавес "Мядель"

Площадь 36 М²
Количество мест 2 МЕСТА
Хозблок БЕЗ ХОЗ. БЛОКА
Размеры 6Х6 М
Крыша ДВУСКАТНАЯ
Цена: 680 р/м²

ПОДРОБНЕЕ
Баня "Модерн"

Площадь 24 М²
Назнаение ДЛЯ ДОМА/АРЕНДЫ
Размеры 6Х4 М
Терраса С ТЕРРАСОЙ
Цена: 2 583 р/м²

ПОДРОБНЕЕ
Беседка из бруса "88"

Площадь 12.6 М²
Вид беседки ОТКРЫТАЯ
Барбекю БЕЗ БАРБЕКЮ
Размеры 3.55х3.55 М
Санузел БЕЗ САНУЗЛА
Хоз.блок БЕЗ ХОЗ. БЛОКА
Цена: 817 р/м²

ПОДРОБНЕЕ